首页
关于我们
公司简介
新闻动态
公司动态
行业资讯
媒体报道
产品展示
TOYO闸阀
TOYO截止阀
TOYO止回阀
TOYO球阀
TOYO蝶阀
TOYO过滤器
TOYO-热门产品展示
资料下载
联系我们
首页
>
TOYO-热门产品展示
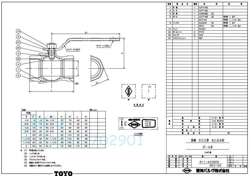
日本TOYO东洋黄铜丝扣球阀 RE 内螺纹进口高压 600WOG RED WHITE
作者:小编
更新时间:2025-12-22
点击数:
内螺纹
连接方式
黄铜
材质
浮动球球阀
结构形式
品牌
TOYO
产地
日本
连接形式
螺纹
阀体材质
黄铜
颜色分类
DN8,DN10,DN15,DN20,DN25,DN32,DN40,DN50
日本TOYO东洋青铜过滤器Y型 船用海水丝扣150-BT-N
返回列表
进口日本TOYO东洋阀门青铜丝扣闸阀125E-BS-N开关闸
账号登录
注册账号
|
忘记密码
社交账号登录